EASY WEB II

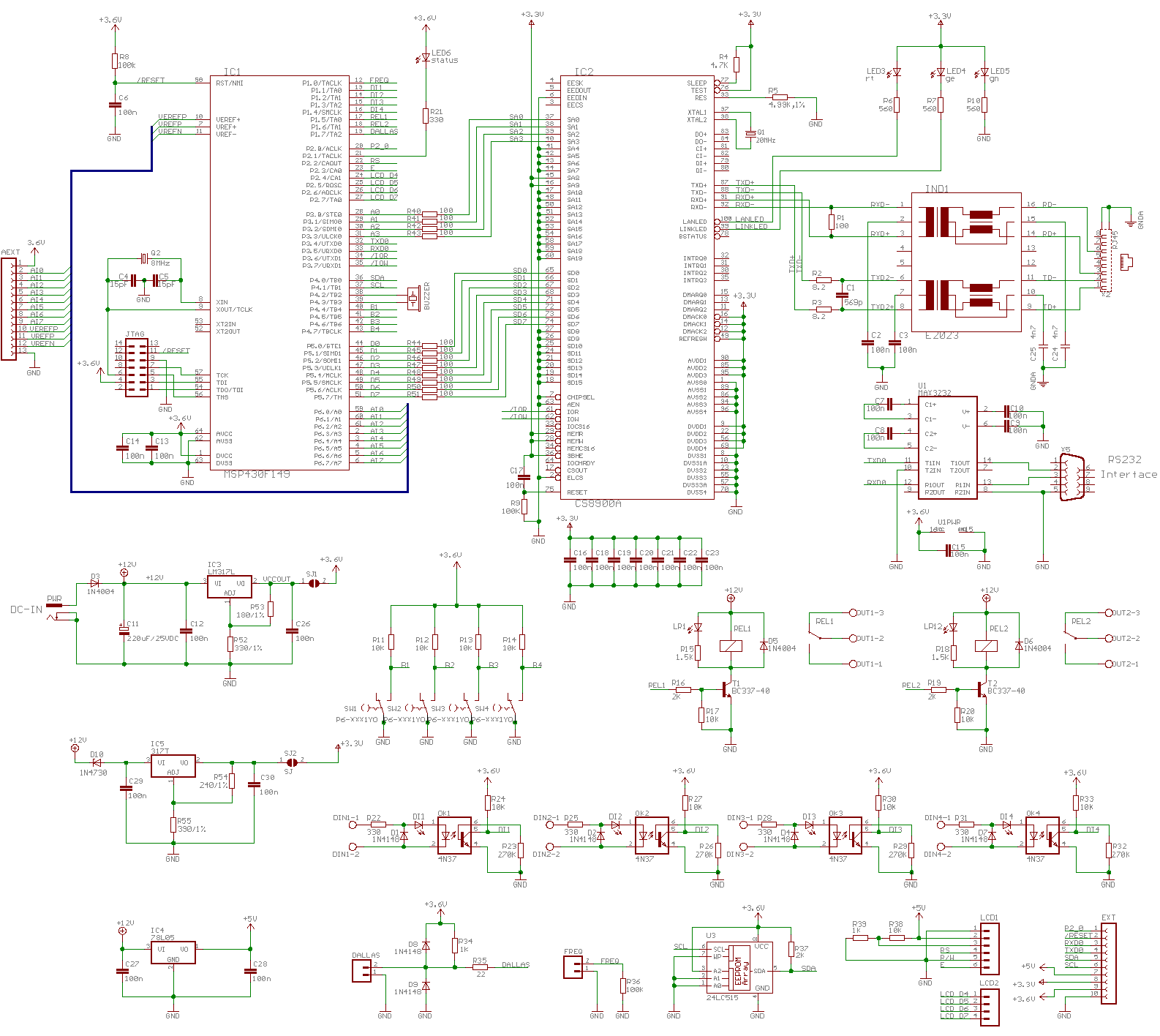
Auf dieser Platine ist ein Controllersystem mit LCD, Tasten, Relais, Optokopplern usw. realisert. Basis bildet der MSP430F149 von Texas Instruments. Theoretisch könnten Sie die Baugruppe allgemein zu Steuerzwecken einsetzen. Aber die Baugruppe hat eine Besonderheit: ein Ethernetcontroller ermöglicht den Anschluß an ein Netzwerk bzw. ans Internet. Per Software wurde ein TCP/IP-Stack realisiert. Da der Sourcecode frei ist, können Sie die Baugruppe an Ihre Erfordernisse anpassen. Als Demonstrationsapplikation läuft sofort nach dem Einschalten ein Webserver. Daten dieses Servers können Sie über einen Internet-Browser aus dem firmeninternen Netz oder aus dem Internet abrufen. 

Die Baugruppe basiert auf einer Entwicklung von Andreas Dannenberg, die in einem Sonderheft der Zeitschrift Design & Elektronik veröffentlicht wurde.  In diesem Heft sind Hard- und Software, einschließlich der API für die Anwendungssoftware ausführlich beschrieben. 

Weitere Informationen erhalten Sie in einer Application Note von Texas Instruments. Das Sonderheft können Sie direkt bei der Zeitschrift Design & Elektronik bestellen.
 
Technische Daten: 
  • MSP430F149 Controller 
  • CS8900 LAN Controller + LAN Trafo + RJ45 Buchse 
  • drei Status-LEDs für LAN 
  • Indikator-LED 
  • 2x Relais 10A/240VAC 
  • 4x Optokoppler 
  • 4x Taster 
  • RS232 Interface mit Sub-D9 Buchse 
  • Akustischer Signalgeber 
  • LCD 2x16 Zeichen 
  • 24LC515 (64K EEPROM für Ablage von Web-Daten) 
  • Dallas iButton Interface 
  • JTAG Anschluß 
  • 32768Hz Uhrenquarz 
  • 8MHz Quarz 
  • Abmessungen: 138mm x 83mm 

Download Schaltung (gif, 68 kByte)

 

Die Software wurde in C geschrieben. Ein geeigneter Compiler ist der ICC430, es läßt sich aber auch der mit dem MSP-FET mitgelieferte Compiler verwenden.

Zur Inbetriebnahme benötigen Sie ein Steckernetzteil mit 12 Volt (ca. 500 mA) und ein Ethernetkabel.

Und noch ein Tipp:
Nach dem Anschließen der Baugruppe starten Sie Ihren Webbrowser und geben folgende Adresse ein: 

http://192.168.0.30
(da Sie sich im eigenen Netzwerk befinden, natürlich ohne das im Internet übliche www)

Produktübersicht

Bestellcode Beschreibung EUR/Stück 
ab 1 Stück
MSP430EW2 MSP430 Easyweb II, MSP430 Webserver 139,20

Preisangaben in EUR je Stück  inklusive gesetzlich gültiger Mehrwertsteuer, zuzüglich Versandkosten 
Bei größeren Mengen gelten weitere Staffelpreise, sie werden automatisch mengenabhängig gewährt.



    Bestellung

Vor der Bestellung informieren Sie sich bitte über Lieferbedingungen und Versandkosten.

Sie können diese Artikel mittels des Bestellformulars per Mail oder Fax, über den Onlineshop oder über den Offline-Katalog bestellen.
 

bestellen per Fax oder Mail
Bestellformular
mit rechter Maustaste speichern, ausfüllen und zurücksenden

Online bestellen
Online Shop

Offline bestellen
Katalog Download
.



update:20.Juni.2004
zurück
Sitemap
Produktgruppe
Suchen

Produktübersicht
Bestellformular
Shop

  Produkttipp:
MSP430-Controller
MSP-FET430
JTAG-Adapter
Programmer
Headerboards
LCD-Kits
EASYWEB 2
ICC430
NoICE

Home
Sitemap
Kontakt
AGB
Versandkosten
Shop
Katalogdownload
Entwicklung
Workshop
Links